CN
EN
首页
关于我们
公司简介
专业工厂
资质认证
产品中心
支撑缸系列
转角缸系列
杠杆缸系列
单动缸系列
旋转接头
阀系列
直线缸
新闻中心
展会信息
公司新闻
行业新闻
联系我们
联系信息
在线留言
下载中心
产品画册
事德拿3D数模
首页
关于我们
公司简介
专业工厂
资质认证
产品中心
支撑缸系列
转角缸系列
杠杆缸系列
单动缸系列
旋转接头
阀系列
直线缸
新闻中心
展会信息
公司新闻
行业新闻
联系我们
联系信息
在线留言
下载中心
产品画册
事德拿3D数模
简体中文
English
产品中心
首页
>
产品中心
>
直线缸
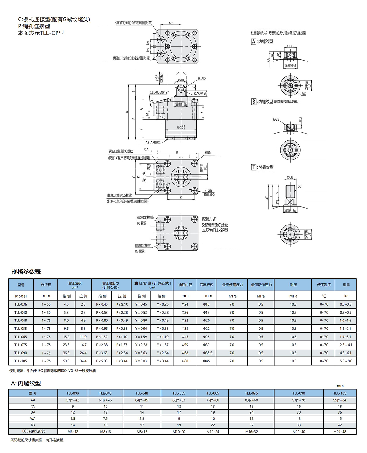
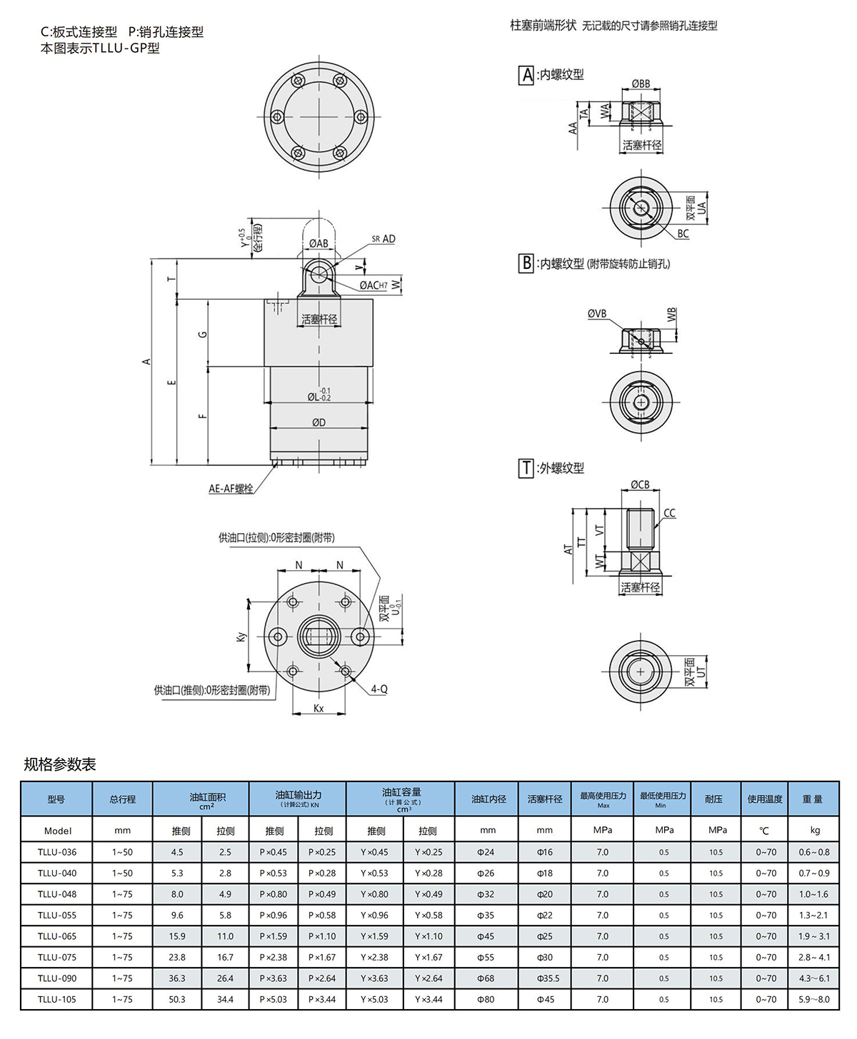
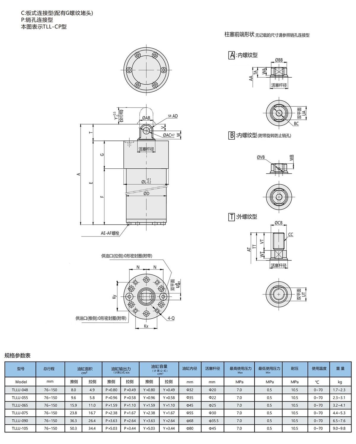
TILL油压紧凑型直线缸
TILL油压紧凑型直线缸