产品简介
油压双动 法兰型 油压夹紧 油压放松
使用油压为低压(1.5-7MPa)
安装方式:有板式连接或外配油管 (板式连接可直接安装流量阀)
动作顺序:杠杆式原理,活塞顶出压板下压直到压上工件。
夹紧力因压板的长度和油压变化而改变。(夹紧力按计算公式来计算)
结构紧凑,能力大,耐久性强的高性价比连杆式夹紧器



l 油压范围:1~7 MPa ●保证耐压:10.5 MPa ,●使用环境温度:0~70 ℃ ,●使用流体:普通矿物油基
液压油(相当于ISO-VG32)
●氯系切削液喷洒的环境下也可以使用。
性能与工件夹紧力

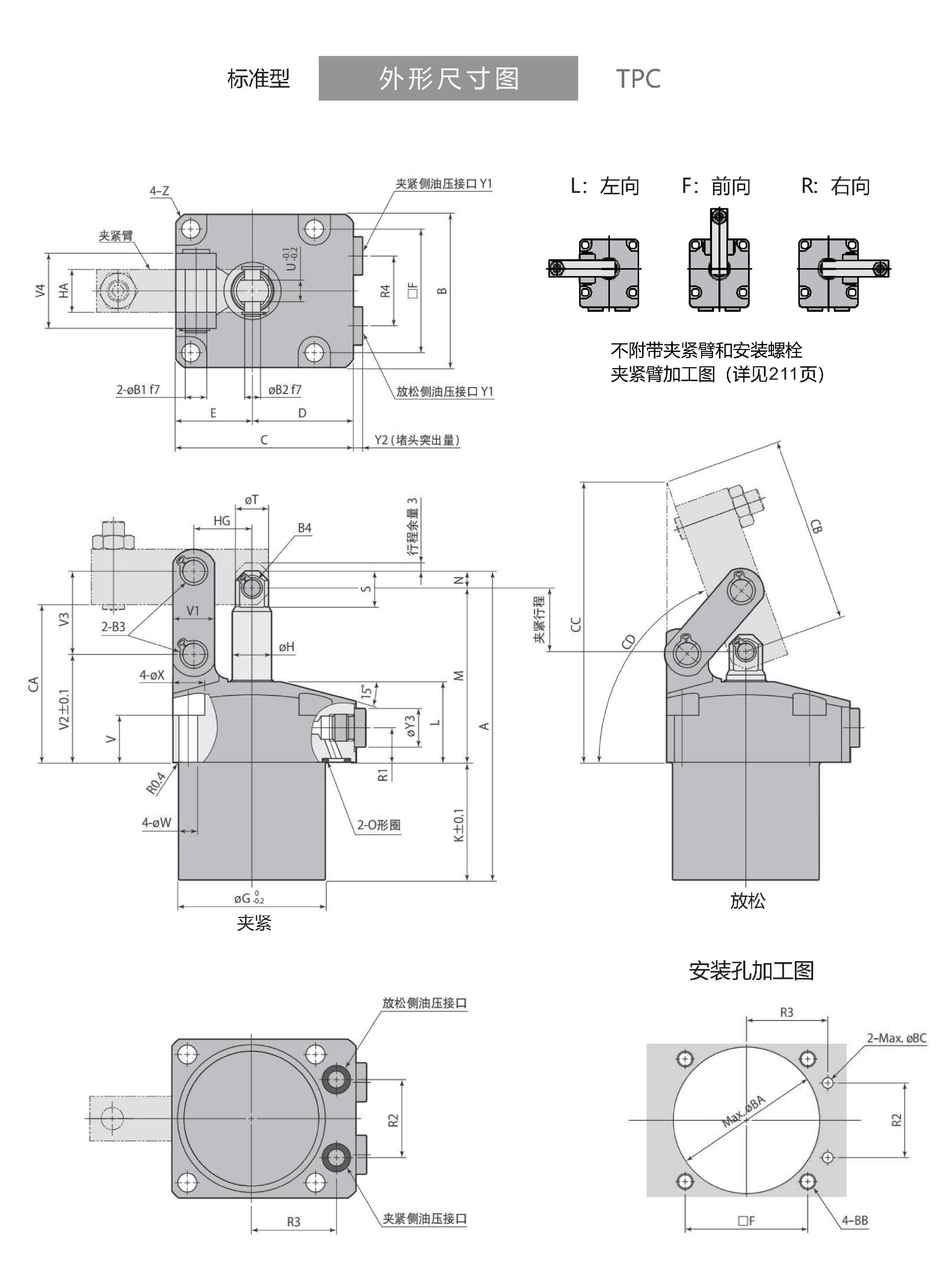
外形尺寸图

外形尺寸对照表

